SMC 系列阀门电动装置是一种多回转型阀门电动装置,是引进美国里米托克(Limitorque)技术产品,该产品已广泛用于石油、化工、水电、冶金、造船、轻工、食品等工业部门。
SMC样本
SMC使用手册
SMC3-4整体型外形尺寸
SMC04-03整体型外形尺寸
SMC00-2整体型外形尺寸
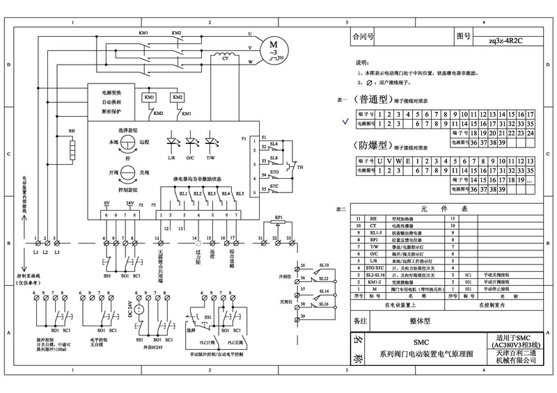
SMC电气原理图
SMC04-4 GB12222连接尺寸
SMC04-4阀杆螺母连接尺寸
SMC04-3 JB2920连接尺寸