SMC/HBC系列电动装置是SMC系列多回转电动装置与HBC蜗轮减速器的组合型式,它适合球阀、蝶阀等部分回转阀门的驱动控制。SMC/HBC电动装置具有以下特点:结构设计坚固可靠,产品规格齐全,驱动转矩范围大且动力输出稳定, 具有良好的自锁性能。 HBC输出轴结构独特,装有与阀杆连接的渐开线花键接头,产品的安装调试方便。
SMC样本
SMC使用手册
SMC3Ex.IN-H6BC外形及连接尺寸
SMC04-03Ex.IN-HBC外形及连接尺寸
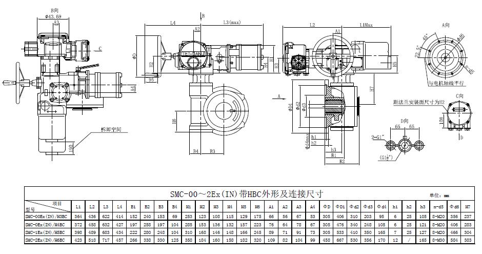
SMC00-2Ex.IN-HBC外形及连接尺寸
SMC电气原理图