XZA系列普通型隔爆型多回转阀门电动装置用于驱动控制开关过程中阀瓣作直线运动的闸阀、截止阀及隔膜阀等类型的阀门。当本系列电动装置与各类形式的(蜗轮、行星齿轮、拨叉滑块等)二级减速机构组合后可成为用于驱动控制开关过程中阀瓣作旋转运动的球阀、蝶阀及旋塞阀等类型的阀门。
XZA2基本型外形尺寸
XZA3-6基本型外形尺寸
XZA样本
XZA使用手册
XZA2基本型产品外形尺寸
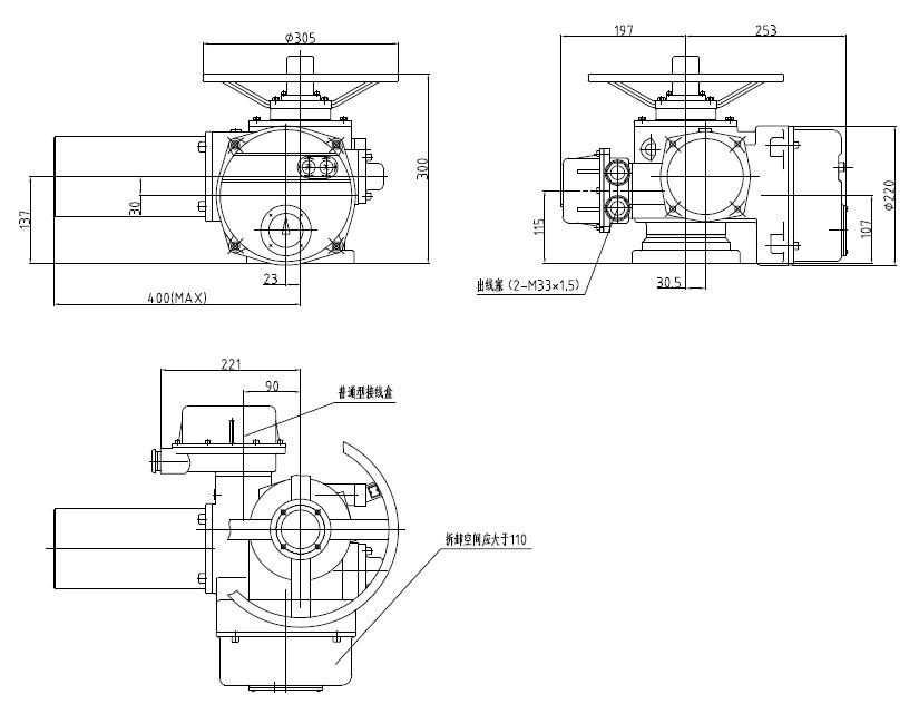
XZA3-6基本型产品外形尺寸
XZA电气原理图
XZA系列ISO法兰连接尺寸
XZA系列JB2920法兰连接尺寸
XZA系列方盘法兰连接尺寸