QT
QT
  • Category:
  • Electric Actuator > Ball Valve/Butterfly Valve(Part-turn) > QT Series
  • Description:
  •  

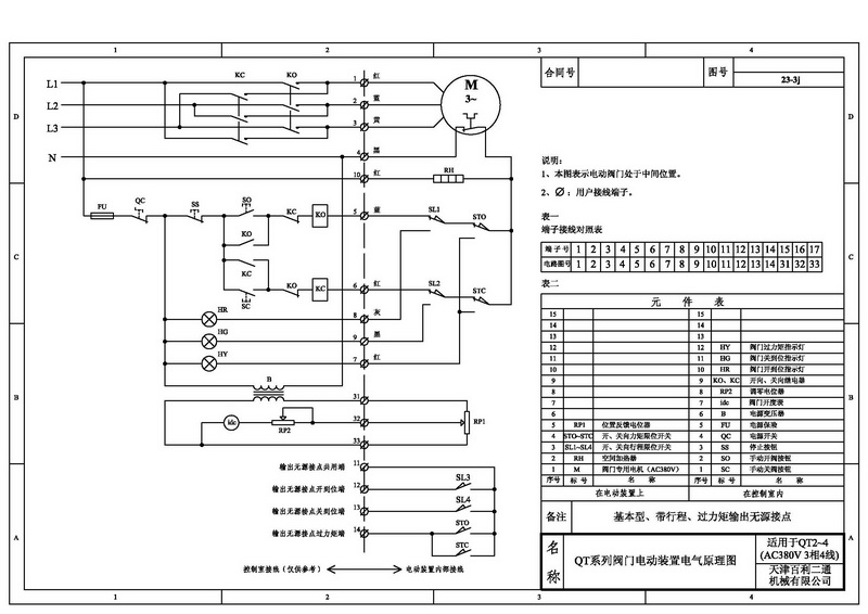
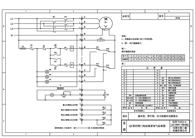
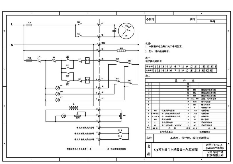
QT1QT4型部分回转阀门电动装置是我公司最新研制的换代型产品。适用于控制蝶阀、球阀、旋塞阀等做90°回转的阀门。该产品替代同规格的QB系列产品,体积小、重量轻、具有高效率、高可靠性、高防护性能、低噪音等特点。可现场操作,也可远距离控制。可广泛用于石油、化工、发电厂、水处理、造纸等各行业。该产品的防护等级为IP67,隔爆型产品(型号中有Ex)的隔爆等级为dBT4