IMT系列多回转智能型阀门电动装置用于闸阀、截止阀、隔膜阀等阀板(瓣)做直线运动或阀杆多圈回转的阀门及类似机构的驱动控制。IMT系列及其派生电动装置产品可广泛应用于石化、冶金、火电、能源、市政、轻工、食品等工业领域,在各类管道控制系统中发挥其重要作用。
IMT样本
IMT使用手册
IMT-04-03 外形尺寸图
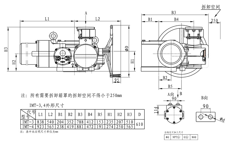
IMT-3-4外形尺寸图
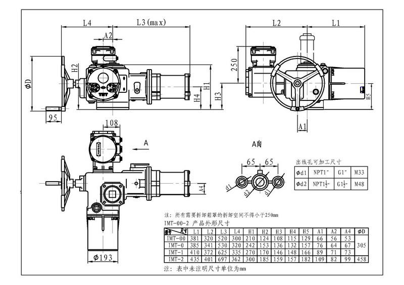
IMT-00-2外形尺寸图
IMT电气原理图
IM03-04推力座与各部尺寸
IMT-04~4 GB法兰与牙嵌连接输出轴各部尺寸
IMT-04~4内装阀杆螺母结构与法兰各部尺寸
IM04-3 2920法兰连接尺寸